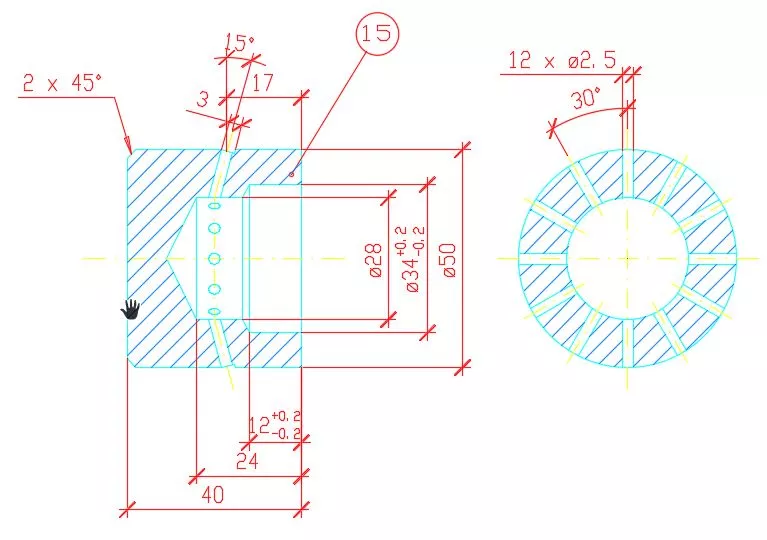
Material: 253Ma, rundstång D=50 mm
Antal: 40 st ( tillverkningsserier om 5-200 st per projekt, denna förfrågan gäller 40 st )
2023-11-27 klockan 11:33
Uppdatering
På grund av uteblivna offerter är denna förfrågan fortfarande aktuell och svarsdatumet förlängt till 4/12. Offert lämnas med fördel direkt här i Dashboard.
