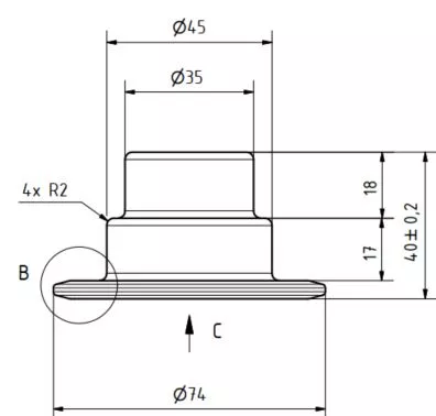
Vi har ett antal nav där vi söker leverantörer för. Även andra svarvade artikel i större och mindre mängd är möjliga för utlagd produktion. Söker i 1a hand företag med inriktning mot svarvning. Exemplebild är bifogad på ett av naven är bifogad.
Ofta förekommer även axiella spår/hål för krysskil och styrpinnar på denna typ av artiklar.
Årsvolymer varierar från ett par tusen ned till 10tal. Navet på exempelbilden har en årsvolym på ca 550st.
Material är som oftast 520m / 2541. Ø74-45mm.
