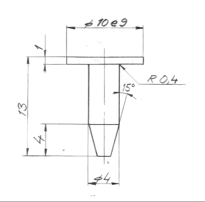
Längd 13mm.
Ø 4mm i ena änden och 10mm i den andra.
Material: SS 1912.
Önskar pris på 100, 200 samt 300st.
Vill du få förfrågningar inom det här området –uppgradera till Qimtek Premiumför att bevaka och komma åt underlag och kontaktuppgifter.Läs mer häreller anmäl ditt intresse nedan. Det går även bra att ringa oss på0651-30 08 00.